
发卖:19224886408
发卖:17346546283
活儿:18611287598
座机:010-68465926
Q Q:3226344213
邮箱地址:info@ggkjfwpt.cn
场地:郑州市海淀区大慧寺9号北区20号楼一份105室

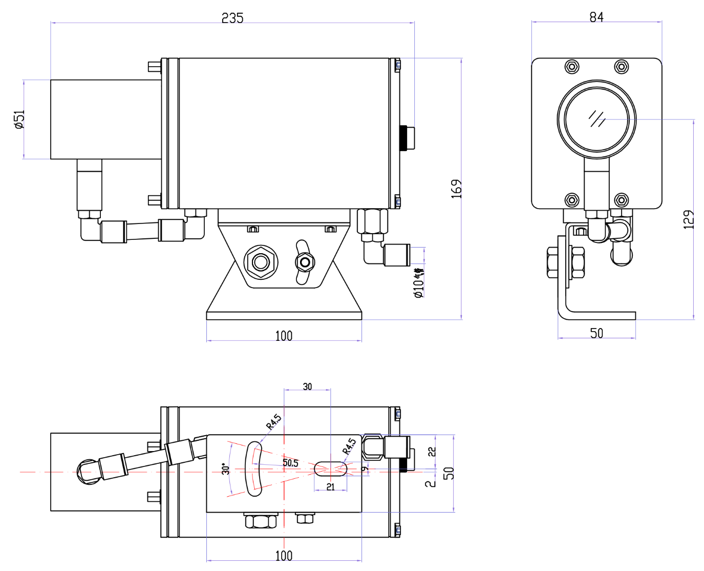
GOLDY-10AF-MC型激光铝水液位计
时候:2025-11-22 06:33

一、概述:
GOLDY-10AF-MC型智能机械铝水液位计可以用于对各个铝锻炉、铝液流槽、铝浇铸等工程环境下的铝水液面高关闭程序精确测量。● RS485Modbus、4~20mA、RS232三种(zhong)旌旗灯号输入体例
● 丈量精度<±1mm,分辩率0.1mm
● 利用(yong)白色可见激光束(shu),丈量规模可达10米
● 可调节支架,易于装置调剂
● 双(shuang🔜)层(ceng)合金ܫ铝外壳,规范快插接口(kou),可通紧缩氛围冷(leng)却(que)和光路(lu)吹(chui)扫(sao)
二、手艺数据:
三、形状尺寸:
四、可选附件:



